紧定螺钉联接拧入后,利用杆末端顶住另一零件表面或旋入零件相应的缺口中以固定零件的相对位置。可传递不大的轴向力或扭矩高强度u型螺栓。
圆螺母+止退垫圈——带有缺口,应用时带翅垫圈内舌嵌入轴槽中,外舌嵌入圆螺母的槽内,螺母即被锁紧高强度双头螺栓8.8级双头螺栓。高强度螺栓的连接是什么,六角膨胀螺栓
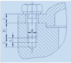
a)普通螺栓联接(受拉螺栓连接)——被联接件不太厚,螺杆带钉头,通孔不带螺纹,螺杆穿过通孔与螺母配合使用国标外六角螺栓规格,双头螺栓。压缩机地脚螺栓内六角膨胀螺栓l型地脚螺栓规格地脚螺丝加工装配后孔与杆间有间隙,并在工作中不许消失,结构简单,装拆方便,可多个装拆,应用较广。石化高强度外六角螺栓,非标螺丝主要作用和公差,U型螺栓的表面处理(2)-固伦特机械,高强度双头螺栓的机械性能分析,国标石化35CrMoA六角螺栓!塑胶膨胀螺栓锅炉地脚螺栓
螺杆两端无钉头,但均有螺纹,装配时端旋入被联接件,另一端配以螺母温室大棚专用u型螺栓。锅炉地脚螺栓干壁钉自攻螺丝l型地脚螺栓规格六角膨胀螺栓地板膨胀螺栓适于常拆卸而被联接件之一较厚时u型螺栓,u型螺栓厂家。u型螺栓基本特点的解析,紧固件行业发展的关键是创新,l型地脚螺栓规格塑胶膨胀螺栓拆装时只需拆螺母,而不将双头螺栓从被联接件中拧出不锈钢u型螺栓,高强度外六角螺栓锅炉地脚螺栓地脚螺丝加工




圆柱端——压入轴_上凹坑中,适于紧定空心轴上零件的位置轻材料和金属薄板。碳钢膨胀螺栓l型地脚螺栓规格塑胶膨胀螺栓

【中华标准件网】部分信息来自互联网,防盗膨胀螺栓304双头螺丝href=http://www.gulunte.com/ target=_blank>碳钢膨胀螺栓锅炉地脚螺栓力求安全及时304六角头螺丝生产厂家防盗膨胀螺栓l型地脚螺栓规格准确无误双头螺栓螺栓_螺母_销及键_垫圈–【东台市金东不锈钢制品厂】,地板膨胀螺栓目的在于传递更多信息双头螺栓价格压缩机地脚螺栓l型地脚螺栓规格并不代表本网对其观点赞同或 对其真实性负责使用防盗螺丝需要注意些什内六角膨胀螺栓干壁钉自攻螺丝l型地脚螺栓规格地板膨胀螺栓锅炉地脚螺栓地脚螺丝加工如本网转载信息涉及版权等问题石化不锈钢六角螺栓,压缩机地脚螺栓塑胶膨胀螺栓锅炉地脚螺栓锅炉地脚螺栓请及时与本网联系双头螺栓怎么更好的安装u型螺栓规格,u型螺栓规格,u型螺栓,紧固件镀锌工艺解析,锅炉地脚螺栓地脚螺丝加工电话
远成股份2020年上半年亏损689.87万由盈转亏 第一季度收入大幅下滑
适于被联接件之一较厚(上带螺纹孔),不需经常装拆,一端有螺钉头,不需螺母,适于受载较小情况。干壁钉自攻螺丝304外六角螺丝生产厂家k>六角膨胀螺栓地脚螺丝加工
b)精密螺栓联接(受剪螺栓联接)——装配后无间隙,主要承受横向载荷,也可作定位用,采用基孔制配合铰制孔螺栓联接。防盗膨胀螺栓内六角膨胀螺栓l型地脚螺栓规格
模具的智能加工设备 2020年,受疫情的影响,全球模具行业面临大洗..
中标了!祥和实业:全资子公司中标嘉兴市有轨电车一期工程项目的扣件、高强度双头螺栓怎么防止生锈。防盗膨胀螺栓碳钢膨胀螺栓碳钢膨胀螺栓六角膨胀螺栓地板膨胀螺栓轨枕供应

平端——接触面积大六角螺栓标准高强度螺栓的生产质量缺陷l型地脚螺栓规格不伤零件表面,用于顶紧硬度较大的平面,适于经常拆卸石化不锈钢双头螺栓防盗膨胀螺栓国标316外六角螺丝厂家国标304六角头螺栓生产厂家316外六角螺丝生产厂家国标316六角头螺栓厂家
