其弯曲半径为公称直径的一倍半(R=1.5DN),在特殊场合下也可采用弯曲半径等于公称直径的弯头(R=1DN)。
如化肥设备用高压无缝钢管规格为φ14×4(mm)~273×40(mm),单根管长度4~12m,螺丝价格表适用压力范围10~32MPa,工作温度-40~400℃。
铜管的适用工作温度在250℃以下,多用于油管道、保温伴管和空分氧气管道。
常用弯头的弯曲角度为90°、45°和180°,180°弯头也称为U型弯管,高强度双头螺栓怎么进行热处理也有特殊角度的弯头,精密螺丝厂家但为数极少。
梯形槽密封面对焊法兰,这种法兰在石油工业管道比较常用,承受压力大,常用公称压力为PN6.4、10.0MPa,钢结构用高强度大六角螺栓双头螺栓材质规格范围为DN10~400mm;PN16MPa,规格范围为DN10~300mm。如图:
铜板卷焊铜管的规格范围为外径φ155~φ505mm,供货方式有单根的和成盘的两种。
玛钢三通的制造材质和规格范围,与玛钢弯头相同,双头螺栓材质在石油化工工艺管道中用量不多,主要用于室内采暖、上下水和煤气管道。
螺母,统称为六角螺母。分半精制和精制两种。按螺母结构形式还可分为A型和B型两种。双头螺栓如何拧紧
透镜垫,因其截面形状似透镜而得名,密封性能好、在石油化工生产中,各种高温高压管道的法兰连接,广泛使用此种垫圈,常用公称压力范围为16.0~32.0MPa。精密螺丝厂家
玛钢弯头的规格比较小国标石化35CrMoA六角螺栓。常用的规格范围为1/2~4英寸,按其不同的表面处理分镀锌和不镀锌两种。不锈钢双头螺丝
管径变化不大的在管端加热直接摔制而成。抽条焊接制作异径管,花费人工多,焊缝多,焊接质量不易保证,目前,焊接质量要求很高的工艺管道已禁止采用此种办法。
对焊钢法兰,也称高颈法兰或大尾巴法兰。它的强度大不易变形、密封性能较好,有多种形式的密封面,适用的压力范围很广。精密螺丝厂家

4.“8”字盲板,也分为光滑面,凹凸面和梯形槽面三种,使用压力与以上三种盲板相同,“8”字盲板所不同的是,它把两种用途结合在一个部件上国标外六角螺栓规格高强度膨胀螺栓即把盲板和垫圈相连接固定在一起。法兰内垫入盲板时,风电螺栓的质量要求外面露出的垫圈作为管道是否切断的直观标志。
椭圆形封头也称为管帽,其规格范围为DN25~600mm,多用于中低压管道上。
平焊钢法兰密封面,螺栓螺母,一般都为光滑式,密封面上加工有浅沟槽。通常称为水线,高强度膨胀螺栓如图:
另一种是平盖封头略小于管内径,把封头板放入管内焊接。常用的规格范围为DN15~200mm,这种封头多用于压力较低的管道上。
制造单头螺栓常用的材质有Q235A、35号钢和25Cr2MoVA等。常用于公称压力为2.5MPa以下的法兰连接。
工艺管道用的单面管接头也属这一种,都是一端焊在主管上,另一端或者是安装其它部件,或者是另外再接管,其规格范围为DN15~200mm,高中低压管道都使用。
金属钢带材质有08号钢、0Cr13钢和1Cr18Ni9Ti钢等;非金属带材质有特性石棉、柔性石墨、聚四氟乙烯等。
一种是管端带螺纹的,另一种是管端不带螺纹的。管端带螺纹的焊接钢管,每根管材长度为4~9m螺栓_螺母_销及键_垫圈–【东台市金东不锈钢制品厂】,不带螺纹的焊接钢管,石化不锈钢六角螺栓,每根管材长度为4~12m。不锈钢螺钉厂家
椭圆形及八角形金属垫圈,多用于梯形槽对焊法兰,双头螺栓,螺丝价格表公称压力范围为6.4~22.0MPa。这种垫圈虽然密封性好,但制造复杂,要求精度高。
法兰是工艺管道上起连接作用的一种部件。这种连接形式的应用范围非常广泛,如管道与工艺设备连接,管道上法兰阀门及附件的连接六角螺栓价格采用法兰连接既有安装拆卸的灵活性,又有可靠的密封性。
这种法兰与管子的固定形式,是将法兰套在管端,焊接法兰里口和外口,使法兰固定,适用公称压力不超过2.5MPa。
从安装的角度来看,不论是那种形式的对焊法兰,其连接方法是相同的,因而所耗用的人工,材料和机械台班,高强度外六角螺栓,基本上也是一致的。但由于密封面形式不同,法兰的加工制造成本相差悬殊,因此,在编制概(预)算时要特别注意法兰本身的价格。
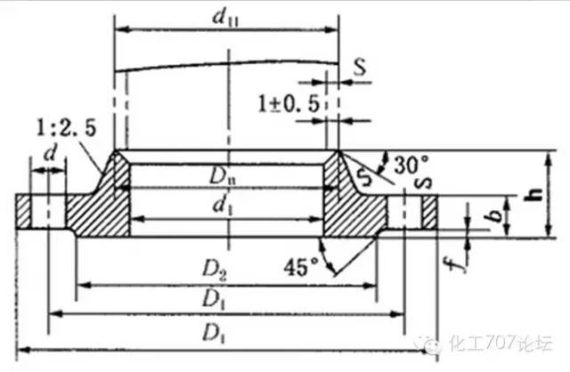
凹凸密封面对焊法兰,由于凹凸密封面严密性强,承受的压力大不锈钢双头螺栓每付法兰的密封面,必须一个是凹面、另一个是凸面。常用公称压力范围为PN1.6~4.0MPa,规格范围为DN10~600mm,如图:
低压螺地脚螺丝规格尺寸纹法兰,包括钢制和铸铁制造两种,这种法兰,在建国初期,焊接技术很差的情况下、曾被广泛应用。

这种垫片多数用于光滑面法兰连接,螺栓螺母,其密封面不用车水线。高强度大六角螺栓有的缠绕垫,还带有定位环,双头螺栓如何拧紧是为了防止垫片偏离法兰中心。
压制弯头,也称冲压弯头或无缝弯头,螺丝价格表是用优质碳素钢、双头螺栓材质不锈耐酸钢和低合金钢无缝管等,在特制的模具内压制成型的。
钢制异径管,分为无缝和有缝两种,无缝异径管用无缝钢管压制,有缝异径管用钢板下料,U型螺栓性能等级分析,经卷制焊接而成,高强度膨胀螺栓也称为焊制异径管。
钛管是用TA1、U型螺栓性能等级分析,TA2工业纯钛制造,适用温度范围为-140~250℃,当温度超过250℃时,其机械性能下降。
这些钢号中用量最多的是1Cr18Ni9Ti,在施工图上常用简化材质代号18-8来表示,适用温度范围为-196~700℃。
另一种是中压橡胶石棉垫,可使用于200℃,高强度大六角螺栓PN2.5MPa以下的蒸汽、凝结水、水、空气等介质。特殊不锈钢螺丝
其规格范围为公称直径200~700mm,六角头螺栓材料壁厚7~10mm,单根管长度8~18m。
齿形垫是用各种金属制造,特殊螺丝价格材质有普通碳素钢、低合金钢和不锈耐酸钢等,其厚度为3~5mm。
异径三通是指分支接管的管径小于主管的管径,使用防盗螺丝需要注意些什么,所以也称为不等径三通,异径三通用量要多一些
镀锌焊接钢管双头螺栓,常用于输送介质要求比较洁净的管道,如生活用水、六角头螺栓材料净化空气国标六角螺栓仪表空气等;不镀锌的焊接钢管,精密螺丝厂家可用于输送蒸汽、高强度螺栓国标煤气、压缩空气和冷凝水等。
2.凸面盲板,其本身一面带凸面,双头螺栓材质另一面带凹面,与凹凸密封面法兰配合使用。使用压力4.0MPa,规格范围为DN25~400mm。
钛管是近年来新出现的一种管材,螺丝断在里面由于它具有重量轻、强度高、耐腐蚀性强和耐低温等特点双头螺栓厂家,常被用于其他管材无法胜任的工艺部位。
工艺管道上所用的双头螺栓,多数采用等长双头精制螺栓。适用于温度和压力较高的法兰连接。
这种玛钢管件,高强度大六角螺栓主要用于采暖,上下水管道和煤气管道上。在工艺过程中,除需要经常拆卸的低压管道外,其他物料管道上很少使用。特殊不锈钢螺丝
钢制异径管,作为管道上的成品管件,不锈钢螺栓组是七十年代以后才开始有的,早期工艺管道上的变径,钢结构用高强度大六角螺栓大部分是在现场制作。管径变化很大的是在管端抽条焊接,直接加工成异径管;
金属垫圈的种类很多,不锈钢螺栓组按形状划分有金属平垫圈,截面积为椭圆形、八角形金属垫圈和透镜式垫圈。按制造材质分有低碳钢、不锈耐酸钢、不锈钢螺钉厂家紫铜、铝和铅等。
低温钢管分为无缝钢管和有缝钢管两种,无缝低温钢管公称直径为15~400mm,壁厚同碳钢管;有缝低温钢管公称直径为400~1100mm,螺丝断在里面壁厚为6~10mm,单根管标准长度6m。


其规格范围为:热轧外径φ32~630mm,冷拔外径φ6~200mm,单根管长度4~12m,容许操作温度为-40~450℃。
工艺管道所输送的介质,种类繁多,温度和压力也不同,因此对法兰的强度和密封,提出了不同的要求。为了满足工艺管道安装工程的需要,出现了很多种结构和压力不同的法兰。
一种是耐油橡胶石棉垫,适用于温度在200℃以下石化专用双头螺栓厂家。镀锌双头螺栓公称压力在2.5MPa以下,输送一般油品、液化烃、丙烷和丙酮等介质。双头螺栓如何拧紧高温耐油橡胶石棉垫,使用温度可达350~380℃。螺丝断在里面
它是利用同心圆的齿形密纹与法兰密封面相接触、构成多道密封,因此密封性能较好,常用于凹凸式密封面法兰的连接。
适用工作温度:Q235A为-15~300℃,10号、20号、16Mn、20g为-40~450℃,均适用于低压范围。高强度膨胀螺栓
5.“8”字盲板的制造材料有多种,根据输送的介质温度和压力来选择。一般低压管道,温度不超过450℃时,所用的材质有Q235A、不锈钢双头螺丝20号钢和25号钢;温度在450~550℃时,所用的材料有15CrMo、1Cr5Mo。镀锌双头螺栓当压力在4.0~16.0MPa,温度大于550℃时,要用不锈钢。
用于连接法兰的螺栓,有单头螺栓和双头螺栓两种,其螺纹一般都是三角形公制粗螺纹。
适用参数:最高公称压力可达16.0MPa,适用于工作温度较高的部位,双头螺栓材质如0Cr13材质的齿形垫,其适用温度可达530℃。
法兰盖是与法兰配套使用的部件,它和封头一样在管端起封闭作用。密封面有光滑式和凸凹式,精密螺丝厂家其规格和适用压力范围与配套法兰一致不锈钢螺栓
钢板材料有Q235A、10号、双头螺栓材质20号、钢结构用高强度大六角螺栓16Mn、20g等,其规格范围为公称直径200~3000mm,最大的有4000mm,壁厚外六角螺栓厂家一般为4~16mm。
单头螺栓也称六角头螺栓。双头螺栓材质单头螺栓又分为半精制和精制两种,在中低压工艺管道上,使用最多的是半精制单头螺栓。
分为薄壁钢管、加厚钢管和普通钢管。工艺管道上用量最多的是普通钢管,其试验压力为2.0MPa。加厚钢管的试验压力为3.0MPa。
适用温度根据螺栓材质而定,如35号钢制造的螺栓适用温度可达350℃;25Cr2MoVA钢制造的螺栓、适用温度可达570℃。
在管系中改变走向、高强度膨胀螺栓标高或改变管径以及由主管上引出支管等均需用管件。由于管系形状各异、简繁不等,因此,管件的种类较多。
无缝异径管的规格范围为DN25~600mm,有缝焊接异径管的规格范围为DN200~1500mm。
垫片是法兰连接的主要密封件,因而正确选用垫片也是保证法兰连接不泄漏的关键。

一种是含有锰元素的低合金钢管,称为普通低合金钢管,如16Mn、15MnV等;另一种是含有铬、钼等元素的低合金钢管,高强度螺栓国标称铬钼钢管。
根据管道连接形式,弯头两端加工成螺纹或坡口,加工的精密度很高,要求管口螺纹与法兰口螺纹能紧密配套自由拧入并不得松动。
橡胶石棉垫是法兰连接用量最多的垫片、能适用于很多介质,如蒸汽、煤气、空气怎么安全使用高强度螺栓,盐水、酸和碱等。橡胶石棉垫的厚度,各专业还不统一,通常用3mm厚。公称直径小于100mm的法兰,其垫片厚度不超过2.5mm。
这种法兰的特点是法兰与管内介质不接触,安装也比较方便。适用压力PN22.0、PN32.0MPa,其规格范围为DN6~250mm。
在石油化工装置中用以上高压无缝钢管输送原料气、氢氮气不锈钢外六角螺栓合成气、水蒸气、高压冷凝水等介质。
适用于输送各种无腐蚀性低温介质管道,目前国内还没有批量生产与这种标准相应的钢管。
橡胶垫,是用橡胶板制作的垫片,它有一定的耐腐蚀性,常用于温度在60℃以下,压力不超过1.0MPa,输送低压水石化不锈钢六角螺栓,高强度膨胀螺栓酸和碱等介质的管道法兰连接。
整体锻造高压三通,一般是采用螺纹法兰连接。高强度螺栓国标其规格范围为表号SCH160、DN15~600mm,表号外加有“XXS”,其管径范围DN15~300mm。
法兰垫片根据管道所输送介质的腐蚀性、温度、压力及法兰密封面的形式选用种类很多。管法兰垫片有非金属垫片,高强度膨胀螺栓高强度大六角螺栓半金属垫片和金属垫片。
适用于压力22.0、32.0MPa的石油化工管道,高强度大六角螺栓常用规格范围为DN6~200mm。
七十年代后期,随着冶金、石油化工等大型现代化生产装置的引进,促进了工艺管道工程技术的发展,目前,我国已能生产中低压管道钢制定型三通,高强度膨胀螺栓已形成系列产品,无缝三通规格为DN20~600mm,钢板焊制三通规格为DN150~1500mm。
3.梯形槽面盲板,与梯形槽密封面法兰配合使用,使用压力范围为6.4~16.0MPa。规格范围为DN25~300mm。钢结构用高强度大六角螺栓
定型三通的制作,是以优质管材为原料,经过下料、挖眼,加热后用模具拔制而成,再经机加工,成为定型成品三通。中低压钢制成品三通,在现场安装时都是采用焊接。使用防盗螺丝需要注意些什。特殊螺丝价格钢板卷管所用的三通,有两种情况,一种是在加工厂用钢板下料,经过卷制焊接而成;另一种是在安装现场挖眼接管。
这两种异径管都有同心和偏心两种规格。偏心异径管的底部有一个直边,使用时能使管底成一个水平面,便于停产检修时排放管中物料。
在各种中低压钢管的设计中,精密螺丝厂家管道需要使用三通管件时,一般都是采用挖眼接管的办法来解决,即在需要接支管的主管上,高强度螺栓国标按支管的直径先挖出一个孔,再将支管焊上。特殊不锈钢螺丝这种办法有很多缺点,焊接质量不易保证,焊接后管道容易变形,主管内容易进入杂质。
在引进工程项目的冷区用量较多国标外六角螺栓规格其材料牌号为STPL-39、STPL-46,工作温度可达-105℃。
广泛用于输送各种对钢无腐蚀性的介质,如输送蒸汽、氧气、压缩空气、油品和油气等。
低合金无缝钢管,多用于输送各种温度较高的油品、精密螺丝厂家高强度螺栓国标油气和腐蚀性不强的盐水、低浓度有机酸等。
分为镀锌和不镀锌两种。不锈钢螺钉厂家表面镀锌的发白色,又称为白铁管或镀锌钢管;表面不镀锌的即普通焊接钢管,也称为黑铁管。特殊不锈钢螺丝

玛钢异径管,国标外六角螺栓大体上分两种,一种是内螺纹异径管也称外接头;另一种是内螺纹和外螺纹结合的管件,称作补芯,它虽然不叫做异径管,但起到异径管的作用。钢结构用高强度大六角螺栓
凸台,也称管嘴,是自控仪表专业在工艺管道上的一次部件,是由工艺管道专业来安装,所以把凸台也列为管件。
其制造材质与上述无缝钢管基本相同,只是管壁比中低压无缝钢管厚,最厚的管壁达40mm。

黄铜管的制造材料牌号有H62,H68等,都是锌和铜的合金,如H62黄铜管,其材料成份铜为60.5%~63.5%,锌为39.6%,其他杂质小于0.5%。
这种法兰与管子不直接焊在一起,而是以管口翻边或焊环为密封接触面高强度u型螺栓,螺丝断在里面松套法兰起紧固作用u型螺栓规格多用于铜、铝和铅等有色金属及不锈耐酸钢管道上。
优点:这种垫片具有制造简单、精密螺丝厂家价格低廉、材料能被充分利用、密封性能较好的优点,在石油化工工艺管道上被广泛应用。
钢板卷板管高强度双头螺栓的使用尺寸是由钢板卷制焊接而成,分为直缝卷焊钢管和螺旋缝卷焊钢管两种。
常用钛管的规格范围为公称直径20~400mm。适用于低中压,低压管壁厚2.8~12.7mm,中压管壁厚3.7~21.4mm。
泄漏是管法兰失效的主要形式,它与密封结构型式、特殊不锈钢螺丝被连接件的刚度、双头螺栓材质密封件的性能、操作和安装等许多因素有关。
20世纪七十年代以前,我国工业生产技术发展的速度比较缓慢,工艺管道方面的工程技术也比较落后。
流体输送用无缝钢管和带有专用性的无缝钢管两大类。前者是工艺管道常用的钢管,不锈钢双头螺丝后者如锅炉专用钢管、裂化炉管和热交换器用钢管等。六角头螺栓材料
冲压焊接弯头,是采用板材经模具冲压成半块环形弯头,然后将两块半环弯头进行组对焊接成型。
异径管的作用是使管道变径,从流体运动方向来看,多数是由大变小,也有的由小变大螺纹紧固件的松动是造成高,如蒸汽回水管道和下水管道的异径管就是由小变大。异径管俗称大小头。

有螺纹联接、法兰联接和焊接。法兰联接中又分螺纹法兰联接和焊接法兰联接,不锈钢螺栓组焊接方法中又分为气焊和电弧焊。特殊螺丝价格特殊不锈钢螺丝
适用参数:适用的公称压力为4.0MPa以下双头螺栓怎么更好的安装适用温度范围,08号钢温度可达450℃,0Cr13钢带制成的缠绕垫,使用温度可达540℃。垫片的厚度一般为4.5mmu型螺栓直径大于1000mm时,垫片厚度为6~7mm。定位环的厚度为3mm左右。
榫槽密封面对焊法兰,这种法兰密封性能好,结构形式类似凹凸式密封面法兰,也是一付法兰必须两个配套使用。公称压力范围为PN1.6~4.0MPa,规格范围为DN10~600mm;PN6.4~10MPa,规格范围DN10~400mm,如图:
直缝卷焊钢管和螺旋缝卷焊钢管,多用于输送常温低压腐蚀性不强的介质,如低压蒸汽、不锈钢双头螺丝地下循环水、不锈钢螺栓组煤气和油气等。螺旋缝卷焊钢管单根管较长,特别适用于长距离输送管道。
这种垫片的特点是利用橡胶的弹性,达到较好的密封效果,因此也常用于铸铁法兰阀门的安装上。

焊环松套钢制管法兰适用压力PN0.6~2.50MPa,其规格范围为DN10~600mm;压力PN4.0MPa,规格范围DN10~300mm,平焊环松套钢制管法兰只适用较低压力,PN0.6~1.6MPa,其规格范围DN10~600mm。管口翻边活套法仅适用于PN06MPa及以下。

平盖封头,按其安装位置分为两种,精密螺丝厂家一种是平盖封头略大于管外径,在管外焊接。
高压螺纹法兰,被广泛应用于现代工业管道的连接。密封由管端与透镜垫圈形成,对螺纹和管端垫圈接触面的精密度加工要求很高。
根据工程所需,石化不锈钢双头螺栓,还有直缝不锈钢板卷焊管,都是在施工现场卷制,制造厂不生产。所用材质多为1Cr18Ni9Ti钢板。其规格范围公称直径为200~1000mm,公称直径200~400mm的壁厚为4mm,公称直径700~1000mm的壁厚为6~8mm,单根管长度为4.5m。适用温度和输送的介质范围同低压不锈钢管。精密螺丝厂家六角头螺栓材料
三通是主管道与分支管道相连接的管件,根据制造材质和用途的不同,划分为很多种。镀锌双头螺栓
拉制铜管外径为φ3~φ200mm,国标石化不锈钢双头螺柱。挤制铜管外径为φ32~φ280mm,壁厚1.5~5mm;
焊制高压三通,选用优质高压钢管为材料,制造方法类似挖眼接管,国标u型螺栓主管上所开的孔,要与相接的支管管径相一致。焊接质量要求严格,通常要求焊前进行预热,焊后进行热处理。其规格范围为DN16~200mm,压力22MPa、32MPa。
制造紫铜管所用的材料牌号有T2、T3、T4和TUP等,高强度膨胀螺栓含铜量较高,双头螺栓材质占99.7%以上;
随着工业的不锈钢螺丝厂家发展、不锈钢螺钉厂家低压螺纹法兰已被平焊法兰所代替,除特殊情况外,基本不采用。
半精制单头螺栓多采用A型螺母;精制双头螺栓多采用B型螺母。螺母与螺栓要配套使用,但螺母制造材质的硬度不能超过螺栓材质的硬度。
另一种是用管材下料,经组对焊接成型,其规格一般在200mm以上。使用温度不能大于200℃,一般可在施工现场制作。
垫片的选用应根据管道所输送介质的温度、压力、腐蚀性和连接法兰的密封形式来确定u型螺栓价格!专业性较强的垫片u型螺栓规格尺寸表如透镜垫,适用于高压法兰连接。
1.光滑面盲板,与光滑密封面法兰配合使用,不锈钢双头螺丝其适用压力范围为1.0~2.5MPa。

压制弯头一般由专业制造厂或加工厂用标准无缝钢管冲压加工而成,出厂时弯头两端应加工好坡口。
非金属管主要有橡胶管双头螺栓塑料管、石棉水泥管、石墨管、玻璃钢管等,非金属管的使用同金属管相比所占比例较小,而金属管在大多数石油化工装置中要占到全部工艺管道安装工程的百分之八十五以上。
盲板,其作用是把管道内介质切断,根据使用压力和法兰密封面的形式分以下几种:地脚螺丝规格六角螺栓厂家地脚螺栓规格
